一、产品特点:
1、输入、输出-散热板之间隔离耐压≥2500VAC;
2、内置阻容吸收回路;
3、配有安全保护盖章;
4、外接电位器即可实现输出电压调节,使应用简单化;
5、可控硅移相输出,调节范围宽;
6、100%负载电流老化试验,通过欧共体CE认证,国际ISO9000认证,国内3C认证。
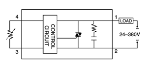
二、型号说明:

三、技术参数:
|
单 相 电 阻 型 交 流 固 态 继 电 器 |
产品型号分类 |
SSR-10VA SSR-25VA SSR-40VA
SSR-50VA SSR-60VA SSR-75VA |
| 控制方式 |
电阻型调压 |
|
| 负载电流 |
10A、25A、40A、50A、60A、75A |
| 负载电压 |
24~380VAC |
| 输入控制方式 |
VR:250KΩ/110VAC、500KΩ/220VAC、1MΩ/380VAC |
| 控制电流 |
/ |
| 通态漏电流 |
≤12mA |
| 通态降压 |
≤1.5VAC |
| 断态时间 |
/ |
| 介质耐压 |
输入、输出端-散热板 2500VAC |
| 绝缘电阻 |
1000MΩ/500VDC |
| 环境温度 |
-30℃-+75℃ |
| 安装方式 |
螺栓固定 |
| 工作指示 |
LED |
| 重量 |
132g | |
四、产品应用: SSR.MXR系列固态调压器是由可控硅开关电路及阻容移相电路,消除滞后电路,过压吸收电路以模块的形式,采用阻燃工程塑料外壳,环氧树脂灌封,自升螺丝压接式接线,具有结构图强度高,耐冲击,抗震动性强,结构新颖,配有安全保护盖,使安装检查方便快捷安全可靠,使用时仅需外配一只电位器即可,实现交流电功率调节,在许多应用场合中可以代替笨重接触式调压器。
五、典型应用:1、工业设备温度控制
2、白炽灯调光
3、阻性加热元件
4、传送带速度控制
5、小型交流串激电机调速
6、以及其他自动功率调节场合
六、不适合的场合:1、交流电动机控制
2、三相电动机控制
3、需要完整正弦波输入的应用
4、需要过零输出的应用
5、不能承受由调相波形英气射频干扰的场合容性负载以及整流电路
七、安全注意事项:1、输出端为可控硅调相波形,会产生射频干扰(将负载回路中串联-电感,可降低干扰)。
2、控制电位器接线较长时请使用带屏蔽的导线或用金属管屏蔽;
3、该产品为非隔离型(输入与输出端),选择电位器应当注意与线电压的隔离,安装使用过程中必须注意安全;
4、负载电流高于5A时必须使用散热器或安装在具有相应散热效果的金属底板上,并且固态调压器散热底板与安装面之间涂上导热硅脂。
5、使用在感性负载时,高瞬态电压以及浪涌电流施加与输出端,因此可能导致固态调压器误导通或损坏,通常需要在输出端接入具有特定钳位电压的电压控制器件,如双向稳压二极管或压敏电阻(MOV)。压敏电阻推荐取额定电压的1.6-1.9倍。
6、控制接近最小负载电流的较小负载电流负载时,须在负载上并联一个虚拟负载电阻,以减小输出端漏电流在负载上产生较高的剩余电压。
7、为了避免固态继电器的温升超过允许值,设计应用时应考虑散热效果和安装位置,当两只或多只固态继电器并排安装时,应留有适当的间距。
8、如有特殊要求与应用请与本公司技术部联系,以获得更详细的技术支持。