一、产品特点:
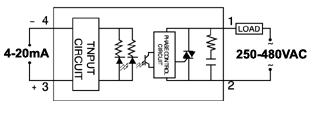
1、双向可控硅输出采用比例式过零控制方式,在交流过零点时,使用可控硅导通或关闭;
2、输入输出端光隔离,有利于实现弱电对强电的控制;
3、发光二极管只是工作状态;
4、100%负载电流老化试验,通过欧共体CE认证,国际ISO9000认证。
二、型号说明:

三、技术参数:
|
单 相 电流型交 流 固 态 继 电 器 |
产品型号分类 |
SSR-10LA-H SSR-25LA-H SSR-40LA-H
SSR-50LA-H SSR-60LA-H SSR-75LA-H |
| 控制方式 |
电流型固态调压器 |
 |
| 负载电流 |
10A、25A、40A、50A、60A、75A |
| 负载电压 |
H:250-480VAC |
| 输入控制方式 |
随机型 |
| 控制电流 |
4-20mA |
| 通态漏电流 |
≤2mA |
| 通态降压 |
≤1.5VAC |
| 断态时间 |
/ |
| 介质耐压 |
2000VAC |
| 绝缘电阻 |
500MΩ/500VDC |
| 环境温度 |
-30℃-+75℃ |
| 安装方式 |
螺栓固定 |
| 工作指示 |
LED |
| 重量 |
132g | |
四、产品应用: SSR单相电压型、电流型固态调压器是采用阻燃工程塑料外壳,环氧树脂灌封,自升螺丝压接式接线,具有结构图强度高,耐冲击,抗震动性强,输入起动电流小,可方便实现弱点对强电的控制,通过控制可控硅的通断时间比来实现可控硅导通或关闭。主要应用于控温设备。
五、主要技术指标:1、输出额定电压:220VAC、380VAC
2、输出额定电压:10A、20A、25A、40A、50A、60A、80A、100A、120A
3、输出电压调节范围:0-220VAC,0-380VAC
4、输入信号控制:1-5VDC或4-20mA
六、安全注意事项:1、使用在感性负载时,必须在输出端并接一压敏电阻,取值为负载电压的1.6-1.9倍。
2、负载电流高于5A时必须使用散热器,40A以上加风扇强冷或水冷。
3、过载保护:输出端负载串接入
≤20ms,快速熔断丝,取值为负载实际电流的1.5倍;4、如有特殊要求与应用请与本公司技术部联系,以获得更详细的技术支持。