一、产品特点:
1、芯片与底板电气绝缘,2500V交流电压;
2、国际标准封装;
3、真空+充氢保护焊接技术;
4、焊接结构,优良的温度特性和功率循环能力;
5、安装简单,使用维修方便;
6、体积小,重量轻;
7、最高工作结温达150℃;
8、正向压降小。
二、型号说明:

三、特性参数:
| 名称 |
型号 |
直流输 出电流 |
单相输入 正向平 均电流 |
壳温 |
反向重复 峰值电流 |
反向重复 峰值电压 |
通态峰值电压 |
通态峰 值电流 |
最高额定结温 |
绝缘 电压 |
重量 |
单相 整流 桥MDQ |
Type |
ID |
IF(AV) |
TC |
IRRM |
VRRM |
VTM |
ITM |
Tjm |
Viso |
Weight |
| A |
A |
℃ |
V |
mA |
V |
A |
℃ |
V(AC) |
g |
| MDS150A |
150 |
50 |
100 |
10 |
600-2000 |
1.50 |
150 |
150 |
2500 |
500g |
| MDS200A |
200 |
68 |
100 |
10 |
600-2000 |
1.50 |
200 |
150 |
2500 | |
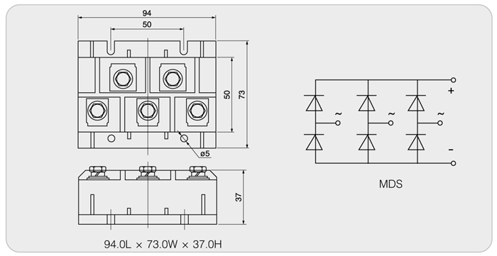
四、外形尺寸及电路图:
五、产品应用:
1、仪器设备的直流电流; 2、P W M变频器的输入整流电源; 3、直流电机励磁电源; 4、开关电源的输入整流; 5、软启动电容充电; 6、电气拖动和辅助电流; 7、逆变焊机; 8、电流充电直流电源。
说明:
a. Vdsm/Vrsm=Vdrm/Vrrm+200V;
b. 除非另作说明,Lgt,Vgt,Ih,Vtm,Viso均为25下的调试值,表中其它参数皆为Tvjm下的测试值;
c. I2t=I2tsmTW/2,式中TW:正弦半波电流底宽,在50HZ频率下,I2t(10ms)=0.005I2tsm(A2S);
d. 当使用在电流为60HZ情况下,Itsm(8.3ms)=1.066(10ms),I2t(8.3ms)=0.943I2tsm(10ms)。